型号列表
(表格显示不全的话,可左右拖动查看)
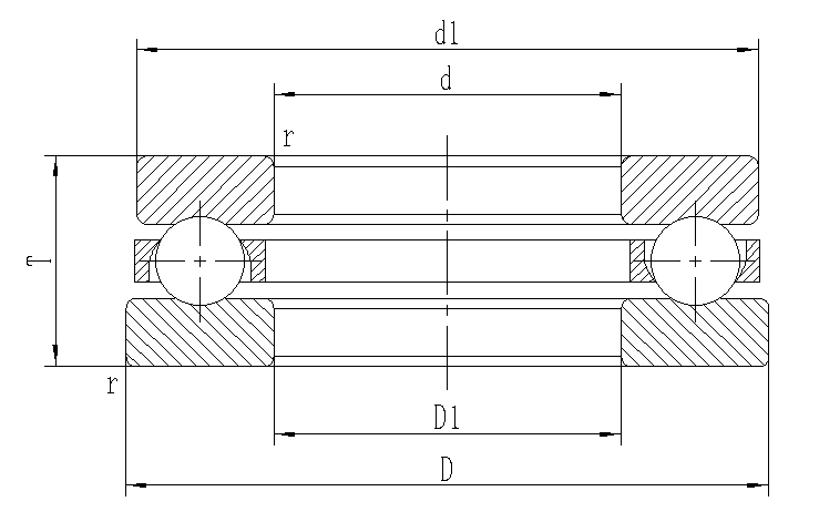
| 轴承型号 | 外形尺寸/mm | 额定负荷/KN | 重量/Kg | |||
| d | D | T | Ca | Coa | ||
| 51111 | 55 | 78 | 16 | 35 | 93 | 0.23 |
| 51211 | 55 | 90 | 25 | 70 | 159 | 0.6 |
| 51311 | 55 | 105 | 35 | 115 | 244 | 1.31 |
| 51112 | 60 | 85 | 17 | 41.5 | 244 | 0.28 |
| 51212 | 60 | 95 | 26 | 71.5 | 113 | 0.67 |
| 51312 | 60 | 110 | 35 | 119 | 263 | 1.4 |
| 51113 | 65 | 90 | 18 | 42 | 169 | 0.32 |
| 51213 | 65 | 100 | 27 | 75.5 | 117 | 0.76 |
| 51313 | 65 | 115 | 36 | 123 | 282 | 1.54 |
| 51413 | 65 | 140 | 56 | 234 | 496 | 4.11 |
| 51114 | 70 | 95 | 18 | 43.5 | 189 | 0.35 |
| 51214 | 70 | 105 | 27 | 74 | 127 | 0.79 |
| 51314 | 70 | 125 | 40 | 137 | 315 | 2 |
| 51115 | 75 | 100 | 19 | 43.5 | 189 | 0.39 |
| 51215 | 75 | 110 | 27 | 78 | 131 | 0.85 |
| 51415 | 75 | 160 | 65 | 254 | 560 | 6.15 |
| 51116 | 80 | 105 | 19 | 45 | 209 | 0.42 |
| 51216 | 80 | 115 | 28 | 79 | 141 | 0.93 |
| 51316 | 80 | 140 | 44 | 164 | 395 | 2.74 |
| 51416 | 80 | 170 | 68 | 272 | 620 | 7.21 |
| 51117 | 85 | 110 | 19 | 46.5 | 218 | 0.44 |
| 51217 | 85 | 125 | 31 | 96 | 150 | 1.22 |
| 51118 | 90 | 120 | 22 | 60 | 264 | 0.65 |
| 51218 | 90 | 135 | 35 | 114 | 190 | 1.69 |
| 51318 | 90 | 155 | 50 | 214 | 525 | 3.83 |
| 51120 | 100 | 135 | 25 | 86 | 310 | 0.96 |
| 51220 | 100 | 150 | 38 | 135 | 268 | 2.25 |
| 51320 | 100 | 170 | 55 | 239 | 595 | 4.98 |
| 51420 | 100 | 210 | 85 | 370 | 985 | 14.8 |
| 51122 | 110 | 145 | 25 | 88 | 375 | 1.04 |
| 51222 | 110 | 160 | 38 | 136 | 288 | 2.42 |
| 51322 | 110 | 190 | 63 | 282 | 755 | 7.19 |
| 51124 | 120 | 155 | 25 | 90 | 395 | 1.12 |
| 51224 | 120 | 170 | 39 | 141 | 310 | 2.7 |
| 51424 | 120 | 250 | 102 | 480 | 1400 | 26.2 |
| 51126 | 130 | 170 | 30 | 105 | 430 | 1.68 |
| 51226 | 130 | 190 | 45 | 183 | 350 | 3.95 |
| 51326 | 130 | 225 | 75 | 350 | 1030 | 12.1 |
| 51128 | 140 | 180 | 46 | 107 | 550 | 1.83 |
| 51228 | 140 | 200 | 80 | 186 | 375 | 4.3 |
| 51328 | 140 | 240 | 80 | 370 | 1130 | 14.2 |
| 51130 | 150 | 190 | 31 | 110 | 400 | 1.95 |
| 51230 | 150 | 215 | 50 | 238 | 735 | 5.52 |
| 51330 | 150 | 250 | 80 | 380 | 1200 | 15 |
| 51430 | 150 | 300 | 120 | 620 | 2010 | 43.5 |
| 51132 | 160 | 200 | 31 | 113 | 425 | 2.07 |
| 51232 | 160 | 225 | 51 | 249 | 805 | 6.04 |
| 51332 | 160 | 270 | 87 | 475 | 1570 | 19.6 |
| 51432 | 160 | 320 | 130 | 650 | 2210 | 52.7 |
| 51134 | 170 | 215 | 34 | 135 | 510 | 2.72 |
| 51234 | 170 | 240 | 55 | 280 | 915 | 7.41 |
| 51136 | 180 | 225 | 34 | 136 | 530 | 2.79 |
| 51236 | 180 | 250 | 56 | 284 | 955 | 7.94 |
| 51336 | 180 | 300 | 95 | 480 | 1680 | 25.4 |
| 51138 | 190 | 240 | 37 | 172 | 655 | 3.6 |
| 51238 | 190 | 270 | 62 | 320 | 1110 | 11.8 |
| 51140 | 200 | 250 | 37 | 184 | 575 | 3.8 |
| 51240 | 200 | 280 | 62 | 350 | 990 | 11.9 |
| 51144 | 220 | 270 | 37 | 187 | 625 | 4.6 |
| 51244 | 220 | 300 | 63 | 365 | 995 | 13.3 |
| 51148 | 240 | 300 | 45 | 259 | 835 | 7.5 |
| 51248 | 240 | 340 | 78 | 455 | 1500 | 21.8 |
| 51448 | 240 | 440 | 160 | 915 | 3900 | 115 |
| 51152 | 260 | 320 | 45 | 263 | 910 | 7.91 |
| 51252 | 260 | 360 | 79 | 475 | 1640 | 22.8 |
| 51156 | 280 | 350 | 53 | 335 | 1150 | 11.8 |
| 51256 | 280 | 380 | 80 | 495 | 1710 | 26.2 |
| 51160 | 300 | 380 | 62 | 346 | 1520 | 17.5 |
| 51260 | 300 | 420 | 95 | 575 | 2613 | 42.5 |
| 51360 | 300 | 480 | 140 | 880 | 3950 | 103 |
| 51164 | 320 | 400 | 63 | 352 | 1615 | 18.8 |
| 51264 | 320 | 440 | 95 | 543 | 2565 | 43 |
| 51364 | 320 | 500 | 140 | 880 | 4200 | 109 |
| 51168 | 340 | 420 | 64 | 358 | 1710 | 19.8 |
| 51268 | 340 | 460 | 96 | 545 | 2755 | 45 |
| 51172 | 360 | 440 | 65 | 371 | 1805 | 21.1 |
| 51272 | 360 | 500 | 110 | 704 | 3610 | 69.2 |
| 51180 | 400 | 480 | 65 | 383 | 2014 | 23 |
| 51280 | 400 | 540 | 112 | 680 | 3773 | 74.5 |
| 51184 | 420 | 500 | 65 | 390 | 2090 | 24.2 |
| 51188 | 440 | 540 | 80 | 501 | 2850 | 42 |
| 51288 | 440 | 600 | 130 | 622 | 3530 | 109 |
| 51192 | 460 | 560 | 80 | 501 | 2850 | 41.7 |
| 51292 | 460 | 620 | 130 | 654 | 3962 | 114 |
| 51196 | 480 | 580 | 80 | 513 | 2898 | 42.5 |
| 511/500 | 500 | 600 | 80 | 525 | 3183 | 45.7 |
| 512/500 | 500 | 670 | 135 | 864 | 5443 | 137 |
| 511/530 | 530 | 640 | 85 | 518 | 3311 | 55.8 |
| 512/630 | 630 | 850 | 175 | 1124 | 7041 | 243 |
| 511/670 | 670 | 800 | 105 | 728 | 4420 | 92.2 |
| 511/1400 | 1400 | 1630 | 180 | 1900 | 23600 | 665 |

