淘宝店铺

官方咨询热线:
157-9327-4641

精密转盘轴承

专注精密传动,助推国产替代
当前位置:首页 > 产品中心 > 精密转盘轴承

产品中心Product

精密转盘轴承

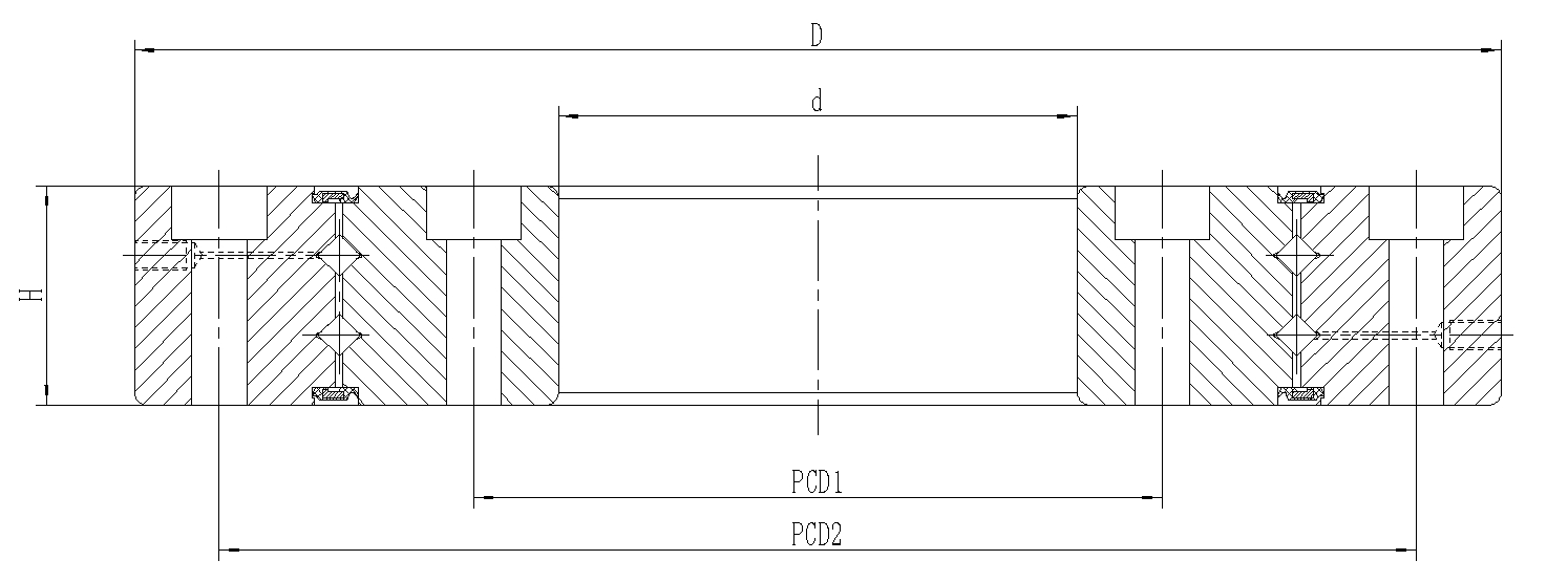
RW双列交叉滚子转盘轴承(高刚性)

分类:精密转盘轴承

卖点:双列交叉滚子结构,高刚性,高承载,支持非标定制

优势:能同时承受轴向力、径向力和倾覆力矩

产品特性:带安装孔,安装方便,高承载,高刚性,适用于低速、重载的场合。

联系电话:157-9327-4641(微信同号) 在线留言联系我们

型号列表

(表格显示不全的话,可左右拖动查看)

基本型号外形尺寸/mm内圈安装孔外圈安装孔额定载荷
dDHPCD1安装孔1PCD2安装孔2CaCoa
RW1158014620938-φ5.6通
φ10沉孔深5.5
1338-φ5.6通
φ10沉孔深5.5
13.527.2
RW1451001852011512-φ5.6通
φ10沉孔深5.5
17012-φ5.6通
φ10沉孔深5.5
24.659.3
RW1641202103013812-φ7通
φ11沉孔深6.5
19212-φ7通
φ11沉孔深6.5
48.6112
RW1951502403016816-φ7通
φ11沉孔深6.5
22216-φ7通
φ11沉孔深6.5
54.1136
RW2281602953518412-φ11通
φ17.5沉孔深10.8
27012-φ11通
φ17.5沉孔深10.8
59.3161
RW2301802804020018-φ7通
φ11沉孔深6.5
26018-φ7通
φ11沉孔深6.5
87215
RW2502003004022020-φ7通
φ11沉孔深6.5
28020-φ7通
φ11沉孔深6.5
89.7231
RW2972103804024016-φ14通
φ20沉孔深13
35016-φ14通
φ20沉孔深13
101288
RW3232603855028224-φ9.3通
φ15沉孔深9
36324-φ9.3通
φ15沉孔深9
168422
RW3883254505034730-φ9.3通
φ15沉孔深9
42830-φ9.3通
φ15沉孔深9
199558
RW4453505405038524-φ14通
φ20沉孔深13
50524-φ14通
φ20沉孔深13
216652
RW4633955255041836-φ10通
φ15沉孔深9
50236-φ10通
φ15沉孔深9
208634
RW5304606005048640-φ10通
φ15沉孔深9
57440-φ10通
φ15沉孔深9
233771
RW6655807506061032-φ12通
φ18沉孔深11
72032-φ12通
φ18沉孔深11
3341120
RW7606508706069032-φ14通
φ20沉孔深13
83032-φ14通
φ20沉孔深13
3601290


157-9327-4641