型号列表
(表格显示不全的话,可左右拖动查看)
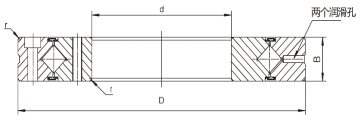
| 公称 型号 | 主要尺寸 | 安装孔相关尺寸 | 基本额定载荷 | 重量 | ||||||
| 内径 | 外径 | 宽度 | 内圈 | 外圈 | Cr | Cor | ||||
| d | D | B | PCD1 | 安装孔 | PCD2 | 安装孔 | KN | KN | kg | |
| CRBF108ATUU | 10 | 52 | 8 | 16 | 4-M3贯通 | 42 | 6-φ3.4通孔φ6.5沉孔深度3.3 | 2.91 | 2.43 | 0.12 |
| CRBF2012ATUU | 20 | 70 | 12 | 28 | 6-M3贯通 | 57 | 6-φ3.4通孔φ6.5沉孔深度3.3 | 7.6 | 8.37 | 0.31 |
| CRBF2512ATUU | 25 | 80 | 12 | 35 | 6-M3贯通 | 67 | 6-φ3.4通孔φ6.5沉孔深度3.3 | 8.61 | 10.6 | 0.4 |
| CRBF3515ATUU | 35 | 95 | 15 | 45 | 8-M4贯通 | 83 | 8-φ4.5通孔φ8沉孔深度4.4 | 17.3 | 20.9 | 0.66 |
| CRBF5515ATUU | 55 | 120 | 15 | 65 | 8-M5贯通 | 105 | 8-φ5.5通孔φ9.5沉孔深度5.4 | 20.1 | 27.7 | 0.96 |
| CRBF8022ATUU | 80 | 165 | 22 | 97 | 10-M5贯通 | 148 | 10-φ5.5通孔,沉孔φ9.5深5.4 | 51.1 | 72 | 2.63 |
| CRBF8022AUU | 80 | 165 | 22 | 97 | 10-φ5.5通孔,沉孔φ9.5深5.4 | 148 | 10-φ5.5通孔,沉孔φ9.5深5.4 | 51.1 | 72 | 2.6 |
| CRBF8022ADUU | 80 | 165 | 22 | 97 | 10-φ5.5通孔,沉孔φ9.5深5.4 | 148 | 10-φ5.5通孔,沉孔φ9.5深5.4 | 51.1 | 72 | 2.6 |

