型号列表
(表格显示不全的话,可左右拖动查看)
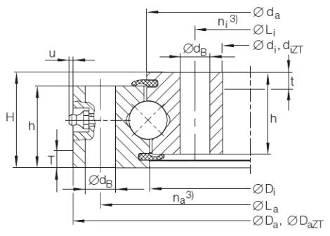
| 基本型号 | 外形尺寸/mm | 安装孔 | 重量/kg | |||||||
| Da | di | H | h | La | na | Li | ni | dB | ||
| VU140179 | 234 | 124.5 | 35 | 30 | 214 | 12 | 144.5 | 12 | 11 | 7 |
| VU200220 | 302 | 138 | 46 | 41 | 270 | 10 | 170 | 10 | 18 | 16 |
| VU130225 | 290 | 200 | 24 | 24 | 270 | 6 | - | - | - | 5.4 |
| VU200260 | 329 | 191 | 46 | 41 | 305 | 20 | 215 | 20 | 14 | 15 |
| VU140325 | 380 | 270 | 35 | 30 | 360 | 24 | 290 | 24 | 11 | 12 |
| VU250380 | 485 | 275 | 55 | 50 | 453 | 16 | 307 | 16 | 18 | 44 |
| VU200405 | 474 | 336 | 46 | 41 | 450 | 30 | 360 | 30 | 14 | 25 |
| VU250433 | 522 | 344 | 55 | 50 | 490 | 20 | 376 | 20 | 18 | 41 |
| VU300574 | 680 | 468 | 68 | 61 | 640 | 20 | 508 | 20 | 22 | 82 |
| VU360680 | 795 | 565 | 79 | 72 | 755 | 30 | 605 | 30 | 22 | 120 |

