淘宝店铺

官方咨询热线:
157-9327-4641

精密转盘轴承

专注精密传动,助推国产替代
当前位置:首页 > 产品中心 > 精密转盘轴承

产品中心Product

精密转盘轴承

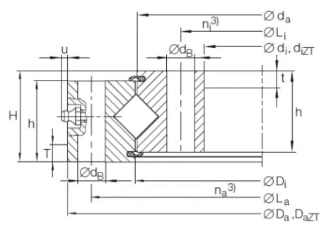
XV交叉滚子转盘轴承(无齿)

分类:精密转盘轴承

卖点:无齿型交叉滚子结构,高精度,支持非标订制

优势:能同时承受轴向力、径向力和倾覆力矩

产品特性:带安装孔,安装方便,高承载,高刚性,适用于低速、重载的场合。

联系电话:157-9327-4641(微信同号) 在线留言联系我们

型号列表

(表格显示不全的话,可左右拖动查看)

基本型号外形尺寸/mm安装孔重量/kg
DadiHahiLanBdBdsts
XV 307530141560124.684.60.37
XV 408540141570124.684.60.44
XV 5010050161785125.6105.40.67
XV 6011060161795165.6105.40.75
XV 70120701617105165.6105.40.84
XV 80135801819120166.6116.41.18
XV 90145901819130166.6116.41.29
XV 1001701002223150169158.52.31
XV 1101801102223160169158.52.48


157-9327-4641