淘宝店铺

官方咨询热线:
157-9327-4641

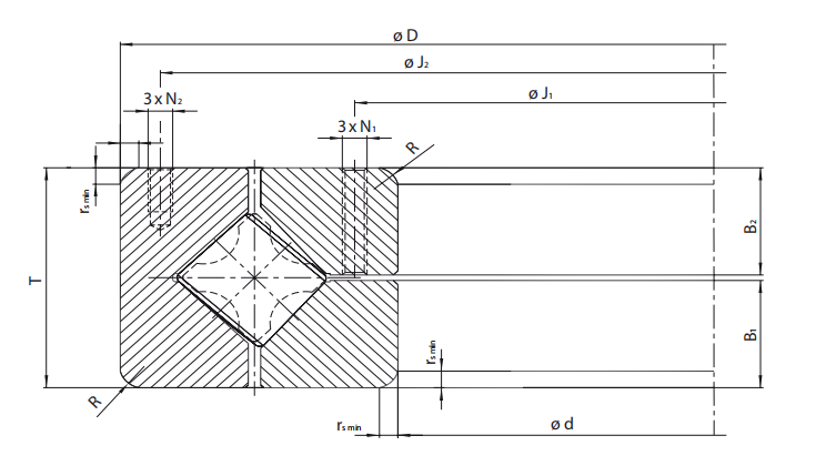
交叉滚子轴承

专注精密传动,助推国产替代
当前位置:首页 > 产品中心 > 交叉滚子轴承

产品中心Product

交叉滚子轴承

JXR/XR交叉圆锥滚子轴承

分类:交叉滚子轴承

卖点:高精度,高承载,高转速,高刚性

优势:能同时承受轴向力、径向力和倾覆力矩

产品特性:节省安装空间,适用于高速、重载的场合,如高速立车。

联系电话:157-9327-4641(微信同号) 在线留言联系我们

型号列表

(表格显示不全的话,可左右拖动查看)

公称型号基本尺寸(mm)极限转速基本额定负荷(KN)重量
内径外径高度倒角径向 轴向 
dDTrr/min动载荷Cr静载荷Cor动载荷Ca静载荷Coakg
JXR63705030040037.01.572063.0122.080.1236.013.0
JXR635070300400381.556063.0122.080.1236.013
JXR678054300480601.560089.0170.7109.6330.538
JXR65205031042545.02.564082.2162.5102.0303.820.0
JXR69905037049550.03.060093.6193.0119.0373.030.0
XR496051203.2279.431.751.580051.287.561.4159.56.5
XR678052330.2457.263.53.3620100.0195.1123.0376.136.2
XR766051457.2609.663.53.3520141.0304.6178.0518.758.0
XR820060580.0760.080.06.4300215.0473.3234.0782.9106.0
XR855053685.8914.479.3753.3260270.0646.7343.01238.6154.0
XR882055901.71117.682.553.3200300.0792.3395.01600.0204.0
XR8890581028.71327.2114.33.3160405.01090.0534.02163.3408.0
XR8970511879.62197.1101.63.380516.01662.4698.03472.0756.0
BFKB353243/HA4150230301110095.21561112794.9
BFKB353240/HA4160240301.1100096.81621183005.15
BFKB353203/HA4240300301750881841143615.4
BFKB353212/HA4250310251700881881143614.5
BFKB353215/HA4250350401.367018735522865713
616094A300400381.556018335522365712.5
BFKB634097310425452.564021642728183719.5
615661A33045763.53.362026451531295432
BFKB353216/HA4350470503.3560308635376118027
BFKB353224/HA4400480401.143021649728195715
BFKB353219/HA4400550602.5400429920523170046.5
615894A457.2609.663.53.3420396856514168051
615662A580760803.330062713807652560100
615659A685.8914.479.3753.326069316609003250150
615895A901.71117.682.5553.3200781206010604290185
BFKB353251/HA49501170853.3215968269013105600215
BFKB353282/HA41028.71327.15114.33.34301230331016006490430
615897A1270152495.251.8951300383017602980350
615898A1549.41828.8101.63.3801400451018909400500
615899A1879.62197.1101.65.44315105240204010900675
634078A2463.82819.4114.35.419233087403150182001130
XD.10.0457P5457.2609.663.53.5300410770435166051
XD.10.0580P5580760806.419081015306403240100
XD.10.0686P5685.8914.479.3753.5150970203010304380150
XD.10.0902P5901.71117.682.553.51101120258012205650185
XD.10.1029P51028.71327.5114.33.5901940452020709850400
XD.10.1549P51549.41828.8101.63.54818004970206011700500
XD.10.1880P51879.62197.1101.66.43226708000290017800675
PSL 912-309330.2457.263.541200100.0195.1123.0376.136.2
PSL 912-308457.2609.663.53.3840141.0304.6178.0518.758
PSL 912-304580760808630215.0473.3234.0782.9106
PSL 912-305685.8914.479.3755500270.0646.7343.01238.6154
PSL 912-306901.71117.682.555350300.0792.3395.01600.0204
PSL 912-3071028.71327.2114.35280405.01090.0534.02163.3408
PSL 912-3031270152495.257250462.01243.5609.02468.0375
PSL 912-3101879.62197.1101.68106516.01662.4698.03472.0756
200XRN28200280301.54801222841445206.7
250XRN3525035040340013936717068013
300XRN4030040038333022053226898512.5
350XRN47350470503280233662284123027
400XRN55400550603.52502991028365190046.5
0457XRN060457.2609.663.53.3220285851370167051
580XRN76580760806.417068020488303800100
600XRN83600830803.3160854234010304600148
0685XRN091685.8914.479.3753.3140839255410905000150
0901XRN112901.71117.682.553.3110803271310905650185
1028XRN1321028.71327.15114.33.3901407474318309300430



157-9327-4641