型号列表
(表格显示不全的话,可左右拖动查看)
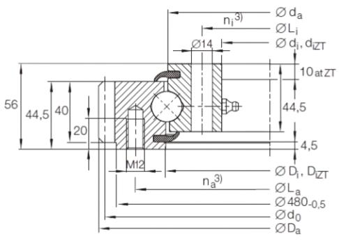
| 基本型号 | 外形尺寸/mm | 安装孔 | 齿参数 | 重量/kg | |||||||
| Da | di | Di | da | La | na /nB | Li | ni /nB | m | z | ||
| VSA200414 | 503.3 | 342 | 415.5 | 412.5 | 455 | 20 | 368 | 24 | 5 | 99 | 31 |
| VSA200544 | 640.3 | 472 | 545.5 | 542.5 | 585 | 28 | 498 | 32 | 6 | 105 | 43 |
| VSA200644 | 742.3 | 572 | 645.5 | 642.5 | 685 | 32 | 598 | 36 | 6 | 122 | 52 |
| VSA200744 | 838.1 | 672 | 745.5 | 742.5 | 785 | 36 | 698 | 40 | 6 | 138 | 59 |
| VSA200844 | 950.1 | 772 | 845.5 | 842.5 | 885 | 36 | 798 | 40 | 8 | 117 | 71 |
| VSA200944 | 1046.1 | 872 | 945.5 | 942.5 | 985 | 40 | 898 | 44 | 8 | 129 | 77 |
| VSA201094 | 1198.1 | 1022 | 1095.5 | 1092.5 | 1135 | 44 | 1048 | 48 | 8 | 148 | 91 |
| VSA250755 | 898 | 655 | 753 | 757 | 816 | 24 | 695 | 24 | 9 | 98 | 128 |
| VSA250855 | 997 | 755 | 853 | 857 | 916 | 28 | 795 | 28 | 9 | 109 | 145 |
| VSA250955 | 1096 | 855 | 953 | 957 | 1016 | 30 | 895 | 30 | 9 | 120 | 155 |
| VSA251055 | 1198 | 955 | 1053 | 1057 | 1116 | 30 | 995 | 30 | 10 | 118 | 171 |

