型号列表
(表格显示不全的话,可左右拖动查看)
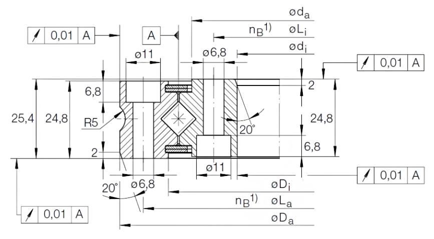
| 基本型号 | 外形尺寸/mm | 安装孔 | 重量/kg | ||||||
| Da | di | Di | da | La | Li | nB | ni | ||
| XSU080168 | 205 | 130 | 174 | 159 | 190 | 145 | 12 | - | 3.3 |
| XSU080188 | 225 | 150 | 194 | 179 | 210 | 165 | 16 | - | 3.7 |
| XSU080218 | 255 | 180 | 224 | 209 | 240 | 195 | 20 | - | 4.3 |
| XSU080258 | 295 | 220 | 264 | 249 | 280 | 235 | 24 | - | 5.1 |
| XSU080318 | 355 | 280 | 324 | 309 | 340 | 295 | 28 | - | 6.3 |
| XSU080398 | 435 | 360 | 404 | 389 | 420 | 375 | 36 | - | 7.8 |
| XSU140414 | 484 | 344 | 415 | 413 | 460 | 368 | 24 | 24 | 28 |
| XSU140544 | 614 | 474 | 545 | 543 | 590 | 498 | 32 | 32 | 38 |
| XSU140644 | 714 | 574 | 645 | 643 | 690 | 598 | 36 | 36 | 44 |
| XSU140744 | 814 | 674 | 745 | 743 | 790 | 698 | 40 | 40 | 52 |
| XSU140844 | 914 | 774 | 845 | 843 | 890 | 798 | 40 | 40 | 60 |
| XSU140944 | 1014 | 874 | 945 | 943 | 990 | 898 | 44 | 44 | 67 |
| XSU141094 | 1164 | 1024 | 1095 | 1093 | 1140 | 1048 | 48 | 48 | 77 |

