型号列表
(表格显示不全的话,可左右拖动查看)
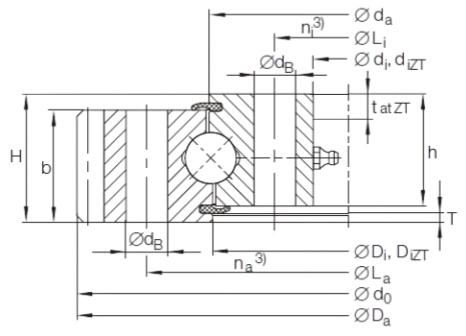
| 基本型号 | 外形尺寸/mm | 安装孔 | 齿参数 | 重量/kg | |||||||||
| Da | di | H | h | La | na | Li | ni | dB | m | z | b | ||
| VA140188V | 259.36 | 135 | 35 | 30 | 222 | 16 | 154 | 16 | - | 4 | 62 | 26 | 7.5 |
| VA160235N | 318.6 | 171 | 40 | 35 | 275 | 12 | 195 | 12 | 13 | 4 | 78 | 35 | 13 |
| VA160302N | 384 | 238 | 32 | 30 | 343 | 20 | 262 | 20 | - | 4 | 94 | 30 | 14 |
| VA250309N | 408.4 | 235 | 60 | 52.5 | 359 | 24 | 259 | 24 | 13 | 5 | 80 | 52.5 | 29.5 |
| VI160288N | 340 | 216 | 39 | 34 | 324 | 20 | 252 | 20 | 9 | 4 | 56 | 34 | 12 |
| VI140326V | 382 | 250 | 59 | - | 362 | 8 | 290 | 8 | - | 3.5 | 73 | 40 | 18 |
| VI160420N | 486 | 332 | 39 | 34 | 462 | 16 | 378 | 16 | 14 | 4 | 85 | 34 | 23 |

