型号列表
(表格显示不全的话,可左右拖动查看)
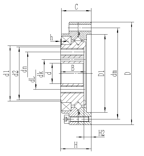
| 轴承型号 | 外形尺寸/mm | 重量/Kg | ||||||||
| d | D | H | C | B | H2 | D1 | d1 | d2 | ||
| CSG(CSF)-14 | 11 | 55 | 16.5 | 16 | 13.5 | 4 | 41.8 | 29.8 | 28.4 | 0.21 |
| CSG(CSF)-14K | 11 | 55 | 16.5 | 16 | 13.5 | 4 | 41.8 | 29.8 | 28.4 | 0.21 |
| CSG(CSF)-17 | 10 | 62 | 16.5 | 16 | 13.5 | 4 | 49 | 36 | 33.8 | 0.25 |
| CSG(CSF)-20 | 14 | 70 | 16.5 | 16 | 13.5 | 4.5 | 56.5 | 42.8 | 40 | 0.3 |
| CSG(CSF)-25 | 20 | 85 | 18.5 | 18 | 16.5 | 3.5 | 67 | 55.3 | 52.6 | 0.5 |
| CSG(CSF)-32 | 26 | 112 | 22.5 | 21.5 | 19 | 4.5 | 90 | 74 | 68.6 | 1.1 |
| CSG(CSF)-40 | 32(24) | 126 | 24 | 22.5 | 21.5 | 4.5 | 105 | 86 | 81.2 | 1.5 |
| CSG(CSF)-45 | 32(25) | 147 | 27 | 26 | 23 | 6 | 121 | 103 | 97.6 | 2.3 |
| CSG(CSF)-50 | 40(32) | 157 | 31 | 30 | 28 | 5 | 131.6 | 108 | 102.6 | 3 |
| CSG(CSF)-65 | 52(44) | 210 | 39 | 37 | 35 | 7 | 176 | 138 | 132.6 | 8 |
| 外圈安装孔 | 内圈安装孔 | 内圈定位孔 | 径向额定载荷/KN | 轴承型号 | ||||||
| 中心径dm | 安装孔 | 中心径dn | 安装孔 | 中心径dL | 安装孔 | 中心径dk | 安装孔 | Cr | Cor | |
| 49 | 8-φ3.5 | 23 | 6-M4 | 17 | 6-M4 | 15 | 3-φ3 | 4.7 | 6.7 | CSG(CSF)-14 |
| 49 | 8-φ3.5 | 23 | 6-M4 | 17 | 6-M4 | 15 | 3-φ2.5 | 4.7 | 6.7 | CSG(CSF)-14K |
| 56 | 10-φ3.5 | 27 | 6-M5 | 19 | 6-M5 | 15 | 3-φ3 | 5.3 | 7.5 | CSG(CSF)-17 |
| 64 | 12-φ3.5 | 32 | 8-M6 | 24 | 8-M5 | 19 | 4-φ3 | 5.8 | 9 | CSG(CSF)-20 |
| 79 | 16-φ3.5 | 42 | 8-M8 | 30 | 8-M6 | 26 | 4-φ3 | 9.6 | 15.1 | CSG(CSF)-25 |
| 104 | 16-φ4.5 | 55 | 8-M10 | 40 | 8-M8 | 34 | 4-φ5 | 15 | 25 | CSG(CSF)-32 |
| 117 | 20-φ4.5 | 68 | 8-M10 | 50 | 8-M10 | 42 | 4-φ5 | 21.3 | 36.5 | CSG(CSF)-40 |
| 137 | 16-φ5.5 | 82 | 8-M12 | 54 | 8-M12 | 60 | 4-φ5 | 23 | 42.6 | CSG(CSF)-45 |
| 147 | 16-φ5.5 | 84 | 8-M14 | 60 | 8-M14 | 50 | 4-φ5 | 34.8 | 60.2 | CSG(CSF)-50 |
| 198 | 20-φ6.6 | 110 | 8-M16 | 80 | 8-M16 | 64 | 4-φ6 | 55.6 | 103 | CSG(CSF)-65 |

